
新品發布 NEW PRODUCT
RELEASE
RELEASE
應用領域 APPLICATIONS 了解更多
汽車電子
消費電子
工業應用
關于我們
傳承電子科技(江蘇)有限公司成立于2013年,是一家工廠以電力電子為專業領域的功率半導體模塊制造商廠家,目前傳承電子的銷售網絡已經輻射到全國各地,為眾多的企業公司提供功率半導體模塊的定制、生產和加工,同時還給眾多公司提供來料代工或貼牌加工業務。 傳承廠家工廠位于江蘇省昆山市。昆山地處上海與蘇州市區之間;北至東北與常熟、太倉兩市相連,東與上海嘉定、青浦兩區交界,西與相城區、蘇州工業園區及吳中區接壤,南部水鄉古鎮周莊與吳江區毗鄰,通達浙江,是長江三角洲不可或缺的一個重要板塊。 傳承電子科技(江蘇)有限公司主要產品為各種封裝形式的絕緣式和非絕緣式功率半導體模塊、各種標準和非標準的功率半導體模塊等。具體產品有:IGBT模塊、可控硅模塊、晶閘管模塊、快恢復二極模塊、單相整流橋模塊、三相整流橋模塊、整流二極管模塊、肖特基二極管模塊等功率半導體器件。...
公司新聞市場新聞

igbt模塊的參數介紹
2022-05-20

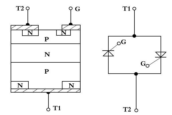
雙向可控硅模塊的觸發方式
2022-05-19

IGBT使用時出現的幾類短路故障
2022-05-18

可控硅調速線路運行原理詳解
2022-05-17













